Опис SV-T Рельс для системи Telescopic
SV-T Рельс для системи Telescopic — надійна основа для складних розсувних конструкцій
SV-T Рельс для системи Telescopic є ключовим елементом сучасних розсувних скляних систем телескопічного типу. Цей напрямний профіль виготовлений із високоякісного анодованого алюмінію, що гарантує стійкість до корозії, механічних навантажень та довговічність експлуатації навіть у вологих умовах. Стандартна довжина рельсів — 3 та 5 метрів, що дозволяє реалізовувати як типові, так і нестандартні проєкти в офісних, житлових та комерційних інтер’єрах.
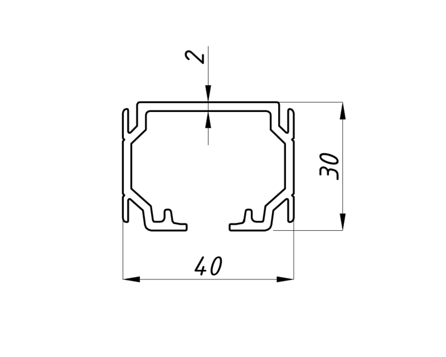
Профіль має переріз 40×30 мм і передбачає посадкові пази для декоративної кришки та фіксації глухих скляних панелей. Завдяки цьому монтаж конструкції проходить без необхідності додаткових елементів кріплення, а зовнішній вигляд системи залишається лаконічним та мінімалістичним. Рельс ідеально сумісний з усіма оригінальними комплектуючими серії Telescopic, забезпечуючи стабільну та безшумну роботу рухомих стулок вагою до 80 кг.
Застосування та переваги SV-T Рельсу в розсувних системах Telescopic
SV-T Рельс для системи Telescopic найчастіше використовується у проєктуванні дверей з кількома рухомими панелями, що відкриваються по черзі завдяки телескопічному механізму. Такий підхід дозволяє суттєво заощадити простір і створити візуально легкий, технологічний інтер’єр. Верхній монтаж дозволяє приховати рельс у стелі або нішах, зберігаючи цілісність дизайну приміщення.
Купити SV-T Рельс для системи Telescopic можна на сайті SF.UA з доставкою по всій Україні. У наявності — повний асортимент комплектуючих, а також технічна підтримка з підбору та монтажу. Наші консультанти допоможуть адаптувати систему під будь-яке проєктне завдання.
Замовляйте SV-T Рельс для системи Telescopic за телефоном +38 097 500 25 25 — створюйте професійні та естетичні розсувні системи без компромісів.
Основні характеристики SV-T Рельс для системи Telescopic
Відгуки про SV-T Рельс для системи Telescopic
Відгуків про цей товар ще не було.
