Опис Зворотній ролик для синхронізації SF-C01-09
Зворотній ролик для синхронізації SF-C01-09 для системи Soft Close
Зворотній ролик для синхронізації SF-C01-09 — це важливий елемент для забезпечення синхронної роботи стулок у системах із плавним зачиненням Soft Close. Він призначений для передачі зусилля через трос, дозволяючи дверям рухатися узгоджено та без ривків, забезпечуючи максимальний комфорт і стабільність конструкції.
Особливості зворотнього ролика SF-C01-09
- Функція: забезпечує правильний напрямок і натяг троса синхронізації, запобігаючи його перекручуванню та нерівномірному натягу.
- Надійні матеріали: ролик виготовлений із високоміцного металу з антикорозійною обробкою, що гарантує тривалий строк служби навіть при активній експлуатації.
- Плавність руху: оптимізована конструкція ролика мінімізує тертя, забезпечуючи легке та безшумне переміщення троса.
- Сумісність: спеціально розроблений для використання в системах Soft Close, ідеально підходить для різних моделей розсувних скляних систем.
Переваги використання зворотнього ролика SF-C01-09
Встановлення зворотнього ролика для синхронізації SF-C01-09 значно підвищує надійність і плавність роботи всієї конструкції. Він стабілізує натяг троса, рівномірно розподіляючи навантаження між стулками та запобігаючи передчасному зносу механізмів.
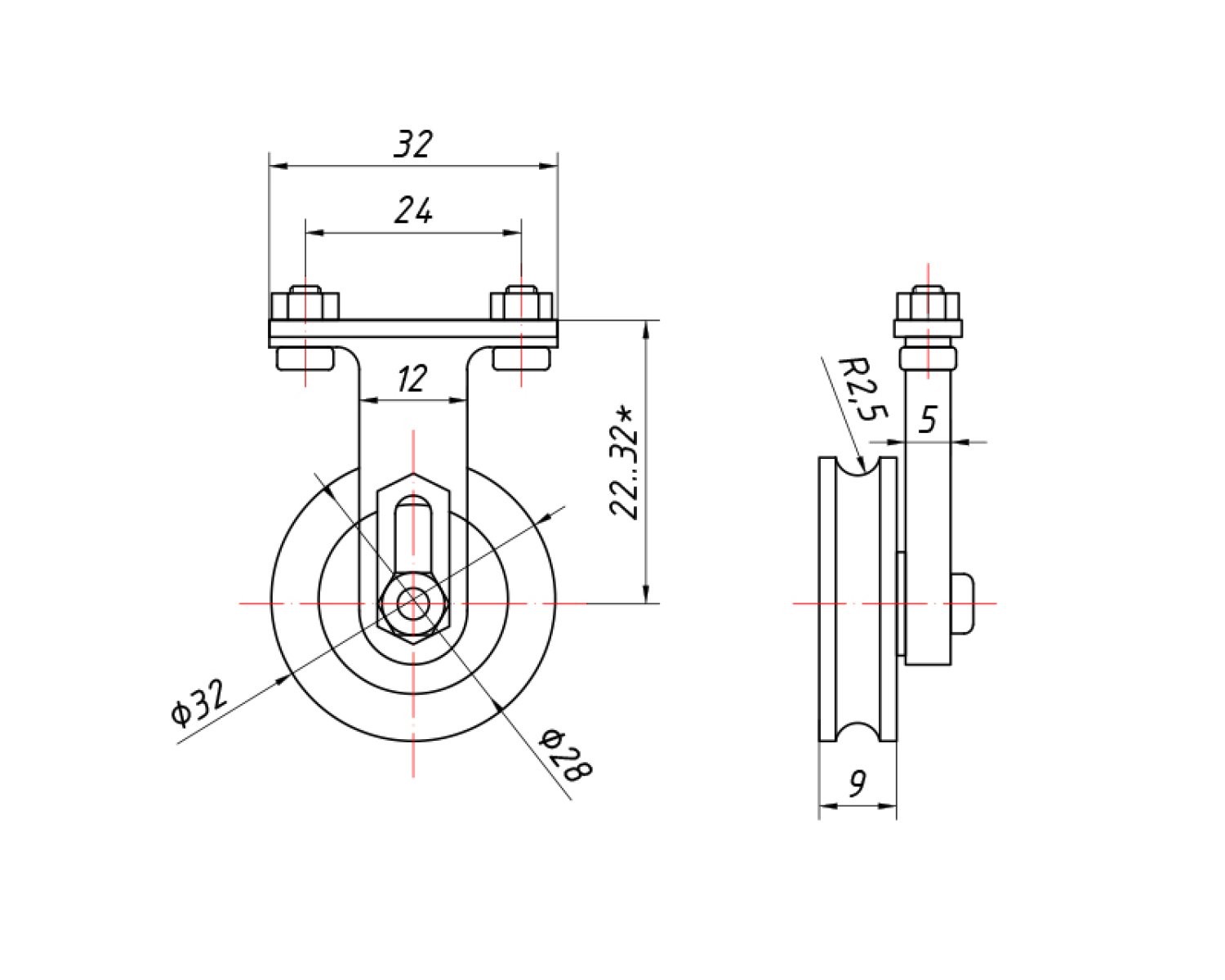
Технічні характеристики:
- Модель: SF-C01-09
- Тип виробу: зворотній ролик для троса синхронізації
- Матеріал: метал із антикорозійним покриттям
- Застосування: системи Soft Close для скляних розсувних конструкцій
Чому обирають зворотній ролик для синхронізації SF-C01-09?
Зворотній ролик для синхронізації SF-C01-09 — це запорука чіткої та стабільної роботи ваших систем Soft Close. Він сприяє рівномірному руху стулок, знижує навантаження на механізми та збільшує довговічність усієї конструкції. Обираючи цей елемент, ви інвестуєте в надійність, плавність і комфорт експлуатації ваших скляних систем!
Основні характеристики Зворотній ролик для синхронізації SF-C01-09
Відгуки про Зворотній ролик для синхронізації SF-C01-09
Відгуків про цей товар ще не було.
