Опис SF-4 Склотримач точковий стіна + штанга
Склотримач точковий стіна + штанга для скляних огорож та поручнів для сходів
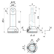
Штанга з нержавіючої сталі марки sus304 довжиною 83 мм з фіксованим кріпленням до стіни/підлоги.
Склотримач застосовується для створення кріплень SF-807 та SF-807Z.
На кінці штанги є овальний отвір, що дає невелике регулювання довжини та кута.
Склотримач для скляних огорож сумісний з кріпленнями SF-1 та SF-1Z.
Купити склотримач для скляних огорож сходів пропонуємо в нашому інтернет-магазині SF.UA. Це зручно й вигідно, оскільки замовити товар можна в будь-який зручний час, не покидаючи робочого місця або не виходячи з дому. Також є можливість скористатися послугою доставки — виріб прибуде вчасно в цілісності й схоронності.
Склотримач для скляних огорож сходів завжди в наявності на складі. Замовити дану фурнітуру ви можете через сайт або за телефоном +38 097 500 25 25.
Основні характеристики SF-4 Склотримач точковий стіна + штанга
Відгуки про SF-4 Склотримач точковий стіна + штанга
