Опис L210A1 Спайдер під ребро жорсткості, SSS
Спайдер під ребро жорсткості L210A1 SSS — надійність та точність у кожному кріпленні
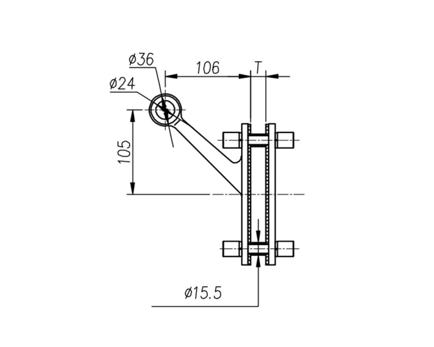
Спайдер під ребро жорсткості моделі L210A1 від провідного виробника Kinlong — це спеціалізований елемент кріплення, призначений для фіксації скляних фасадів до несучих конструкцій зі сталевим ребром жорсткості. Завдяки високоточній інженерії та використанню якісної нержавіючої сталі з сатинованою (SSS) обробкою, цей спайдер гарантує стабільність та довговічність навіть в умовах постійного вітрового чи вагового навантаження.
Технічні характеристики спайдера під ребро жорсткості
- Тип кріплення: для монтажу на ребро жорсткості (металеву балку чи профіль)
- Виробник: Kinlong — лідер у сфері фасадної фурнітури
- Матеріал: високоякісна нержавіюча сталь SUS304
- Оздоблення: сатинована поверхня (SSS) для естетичного вигляду та захисту від корозії
- Кількість лап: чотири, з можливістю окремого навантаження на кожну
Важливою особливістю моделі L210A1 є її розрахунок на експлуатацію в умовах значного навантаження:
- Вітрове навантаження (вздовж осі), Fx: до 2500 Н (еквівалентно 250 кг) на кожну лапу
- Вагове навантаження (радіальне), Fy: до 1500 Н (еквівалентно 150 кг) на кожну лапу
Переваги використання спайдера під ребро жорсткості
Такі характеристики роблять спайдер L210A1 оптимальним рішенням для скляних фасадів великої площі, вітражних систем, інтер’єрних перегородок та навісів. Кріплення забезпечує точну фіксацію скла без зайвих щілин і гарантує рівномірний розподіл навантаження, що підвищує безпеку всієї конструкції.
Сфера застосування спайдера під ребро жорсткості
Спайдери під ребро жорсткості використовуються у проєктах, де необхідно зберегти мінімалістичний вигляд скляного фасаду без використання рамних систем. Вони ідеально підходять для:
- торгово-розважальних центрів,
- бізнес-центрів,
- аеропортів,
- виставкових павільйонів,
- приватних об’єктів з сучасною архітектурою.
Увага: зазначена вартість не враховує ратул (шарнірних з'єднань для скла), які підбираються окремо відповідно до товщини та конфігурації скла.
Оберіть спайдер під ребро жорсткості L210A1 SSS, якщо ваша мета — поєднати естетику, функціональність і інженерну надійність в одному рішенні.
Відгуки про L210A1 Спайдер під ребро жорсткості, SSS
Відгуків про цей товар ще не було.
