Опис BZQ7 Комплект для розсувних душової кабіни
Комплект аксесуарів для розсувної душової кабіни від європейського виробника Colcom Minusco, Італія
Що стосується італійського бренду Minusco Colcom, то він представляє великий вибір продукції. Душові кабінки цієї марки підходять для невеликих приміщень. Варто виділити якісні торцеві заглушки та стопор стулки. Кожна деталь душовою покрита хромом. Це захищає елементи системи від води, хімічних реакцій та постійних перепадів температур.
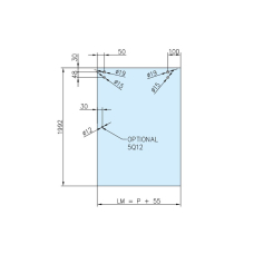
В даному комплекті передбачені всі необхідні аксесуари для монтажу душової кабінки шириною від 1200 та до 1800 мм та додатковим кріпленням для скляної панелі, яка стає перпендикулярно до отвору. Розрахована для скла
Все більше людей використовують душові кабіни. Це складна конструкція, в яку входить багато елементів. Якість деталей має бути на найвищому рівні, оскільки вони витримують велике навантаження. Серед основних негативних факторів варто відзначити вологість та постійні перепади температур. Також загрозою є нестійкість до хімічних реакцій.
Комплект для розсувної душової кабіни ідеально підходить для санвузлів невеликої площі, де немає можливості використовувати звичайні двері відкривання.
Всі елементи комплекту для розсувної душової кабіни покриті хромом, що відмінно поєднується з іншою гарнітурою, котру зазвичай використовують в душових.
Комплектація:
- Труба прямокутного перетину 30*10 — 1800 мм.
- Кріплення труби до стіни — 1 шт.
- Кріплення труби до скла — 2 шт.
- Кріплення труби до скла під 90 град. — 1 шт.
- Стопор стулки — 1 шт.
- Верхній ролик — 2 шт.
- Нижній обмежувач — 2 шт.
- Нижня направляюча — 1 шт.
- Нижній поріг — 1 шт.
Примітка: В комплект не входять ущільнювачі, ручка та кріпильні елементи глухого скла до стіни.
Доставку товару можна замовити на будь-яку адресу. Також є можливість забрати товар з нашого офісу або складу. При виникненні питань звертайтеся за номером, який вказано на сайті.
Основні характеристики BZQ7 Комплект для розсувних душової кабіни
Відгуки про BZQ7 Комплект для розсувних душової кабіни
Відгуків про цей товар ще не було.
