Опис 673W50-62 Відповідна частина (коротка)
Для чого потрібна 673W50-62 Відповідна частина коротка
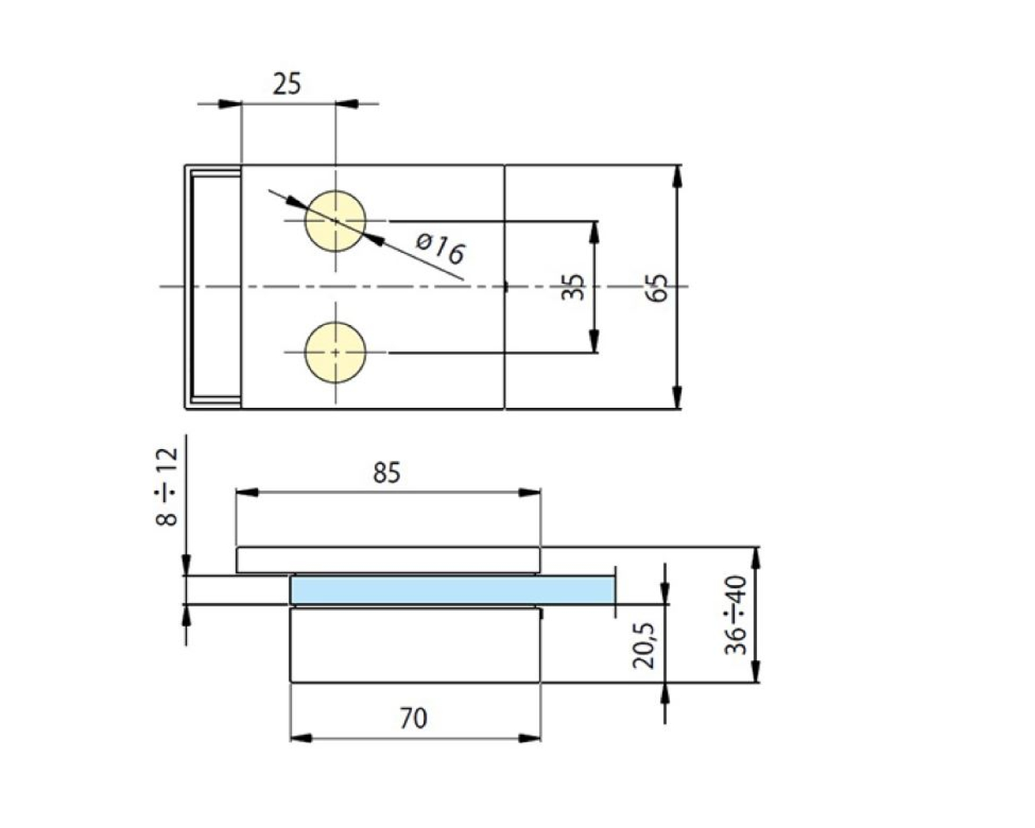
673W50 62 Відповідна частина (коротка) — елемент фурнітури для міжкімнатних скляних дверей, який забезпечує коректну роботу замкового вузла та підвищує жорсткість зони примикання полотна. Встановлюється на скло товщиною 8-10 мм навпроти інтер’єрної ручки на нерухомому бічному склі. Така конфігурація гарантує правильне змикання полотна і надійне притягування при закриванні, зменшуючи люфти та вібрації. Підходить для побутових і комерційних інтер’єрів.
- Тип систем: міжкімнатні скляні двері з бічною нерухомою панеллю.
- Сумісність: загартоване скло 8–10 мм.
- Сценарій: відповідь під корпус замка/ручки на дверному полотні.
Дизайн і стиль 673W50-62 Відповідна частина коротка
Відповідна частина для інтер’єрних дверей виконана в тому ж стилі що й сам міжкімнатний замок, а це додає симетрії скляній конструкції. Лаконічна геометрія та акуратні фаски мінімізують візуальне навантаження, підкреслюючи чисті лінії скла. Короткий корпус полегшує розміщення на вузьких панелях і гармонійно поєднується з іншими чорними елементами фурнітури (петлями, замками, ручками).
- Візуальна узгодженість із замком та ручкою.
- Акуратний перехід між площинами скла без масивних накладок.
- Оптимальна пропорція для вузьких бічних секцій.
Монтаж і догляд за 673W50-62 Відповідна частина коротка
Монтаж виконується після розмітки по осі притвору з перевіркою перпендикулярності та рівномірності зазорів. Рекомендовано використовувати стандартний набір інструменту для скляної фурнітури. Для збереження естетики достатньо періодичного догляду нейтральними засобами без абразивів. Довжина замка - 70 мм. Чорний колір — універсальне виконання для сучасних інтер’єрів.
- Перевірка після монтажу: рівномірний притиск, відсутність люфтів.
- Обслуговування: сухе/вологе протирання без агресивної хімії.
- Надійна робота в щоденному режимі експлуатації.
673W50 62 Відповідна частина коротка забезпечує точне змикання та естетичну симетрію дверного вузла, поєднуючи надійну фіксацію зі стриманим дизайном і довговічністю.
Відгуки про 673W50-62 Відповідна частина (коротка)
Відгуків про цей товар ще не було.
